ED3封装工业级碳化硅MOSFET半桥模块

产品详情

基本半导体推出1200V工业级碳化硅MOSFET半桥模块Pcore™2 ED3系列,采用新一代碳化硅芯片技术,结合高性能Si3N4 AMB基板与铜基板封装,在提升功率密度的同时显著增强产品可靠性。

针对光伏、储能及工业电机驱动等应用,该模块具备低导通电阻与低开关损耗特性,支持更高开关频率。通过与同电压等级IGBT模块的仿真对比可见,ED3系列模块在效率与散热表现上优势明显,有助于系统实现更高功率密度与更低散热成本。此外,基本半导体可提供与该模块配套的即插即用驱动板整体解决方案,助力客户实现快速集成与高效开发。   

ED3 540.png

产品优势

- 新一代碳化硅MOSFET芯片技术,性能更优

- 低导通电阻高温下RDS(on)表现优异

- 低开关损耗,提高开关频率,功率密度提升

- 高性能Si3N4 AMB和高温焊料引入,提高产品可靠性

- 高可靠性和高功率密度

- 铜基板散热


应用领域:储能系统,固态变压器SST,光伏逆变器,牵引辅助变流器,电机驱动

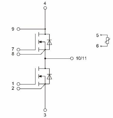
电路拓扑

图2 拓扑图.jpg

产品列表

Part   No.

Data

Sheet

VDSS

(V)

RDS(on)

(mΩ) @ 25℃

IDnom

VGS(op)

(V)

VGS(th)

(V)

VSD

(V)

QG

(nC)

Package

Name



BMF540R12MZA3333.png
12002.2540+18/-52.7
4.91320

Pcore™2

ED3

样品申请

PLECS仿真器件模型

技术文章
生产制造
碳化硅功率器件
新闻动态
关于我们
广东省深圳市南山区高新园区高新南七
道国家工程实验室大楼B座11层
总       机:0755-22670439
销售热线:0755-86713170(工业客户)
官方微信
深圳基本半导体股份有限公司
销售咨询
0755-86706526(汽车客户)
info@basicsemi.com inquiry@basicsemi.com(工业客户)
autobu@basicsemi.com(汽车客户)
友情链接:
|
投诉建议
|