|
|

基本半导体针对多种应用场景研发推出单、双通道门极隔离驱动芯片,具有抗干扰能力强、传输延时低、可靠性高等优势,可适应不同的功率器件和终端应用,可适配耐压在1700V以内的功率器件的门极驱动,广泛应用于隔离式DC-DC/AC-DC电源、光伏逆变器、储能PCS、电机驱动、OBC、UPS等。
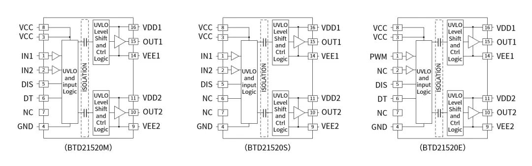
双通道隔离驱动芯片BTD21520系列

采用容耦隔离技术
输出拉灌峰值电流4A/6A
绝缘电压高达5000Vrms@SOW-14封装、3000Vrms@SOP-16封装
抗干扰能力强,高达100V/ns
传输延时低至45ns
提供3种管脚配置:禁用管脚(DIS)、死区设置(DT)和单一PWM输入
副边VDD欠压保护点:5.7V/8.2V
功能框图

产品列表

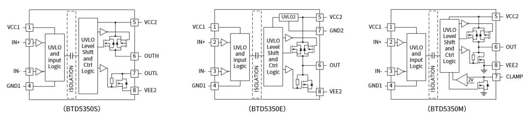
单通道隔离驱动BTD5350系列

采用容耦隔离技术
输出峰值电流10A
绝缘电压高达5000Vrms@SOW-8封装、3000Vrms@SOP-8封装
抗干扰能力强,高达100V/ns
传输延时低至60ns
提供3种管脚配置:门极米勒钳位功能、独立的开通和关断输出管脚、副边正电源配置欠压保护功能
副边VCC欠压保护点:8V/11V
功能框图

产品列表


如您对我们的产品有兴趣,欢迎联系咨询哦!
电话:0755-86713170
邮箱:inquiry@basicsemi.com