|
|
前 言
现代尖端电力电子设备性能升级需要提升系统功率密度、使用更高的主开关频率。而现有硅基IGBT配合硅基FRD性能已无法完全满足要求,需要高性能与性价比兼具的主开关器件。为此,基本半导体推出的混合碳化硅分立器件(Hybrid SiC Discrete Devices)将新型场截止IGBT技术和碳化硅肖特基二极管技术相结合,为硬开关拓扑打造了一个兼顾品质和性价比的完美方案。
该器件将传统的硅基IGBT和碳化硅肖特基二极管合封,在部分应用中可以替代传统的IGBT (硅基IGBT与硅基快恢复二极管合封),使得IGBT的开关损耗大幅降低。这款混合碳化硅分立器件的性能介于超结MOSFET和高性能的碳化硅 MOSFET之间,在某些场合性价比更优于超结MOSFET和碳化硅MOSFET,可帮助客户在性能和成本之间取得更好的平衡,具有重要的应用价值,特别适用于对功率密度提升有需求,同时更强调性价比的电源应用领域,如车载电源充电机(OBC)、通信电源、高频DC-DC电源转换器、UPS等。
01 PFC技术趋势
在电源研发领域,尤其是在汽车OBC和通信电源应用领域,由于PFC拓扑的设计可直接影响到电力转换系统效率的高低,使得这一关键因素在近年来变得愈发重要。为进一步提高电源的工作效率,科研人员和工程师们已经研究出多种不同的PFC拓扑结构,如传统的PFC拓扑、普通无桥PFC、双升压无桥PFC,图腾柱无桥PFC等,并已成功大范围应用在设计过程中。

对比上述四种常见的PFC拓扑结构,图腾柱无桥PFC拓扑的器件用量仅为6,同时还具有导通损耗最低、效率最高等优点,因此在车载OBC及通信电源等高效应用方面已有量产项目采用图腾柱无桥PFC取代传统的PFC或交错并联PFC。
因此本文除阐述图腾柱无桥PFC的优势和工作原理之外,将重点介绍图腾柱无桥PFC的功率半导体器件选型,并给出性能和成本平衡的混合碳化硅分立器件解决方案。
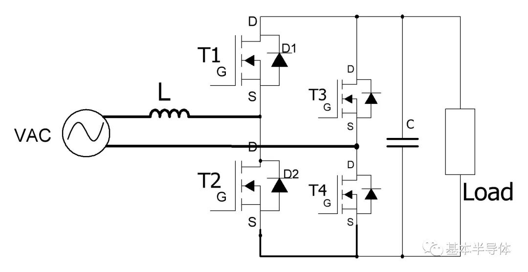
02 图腾柱无桥PFC拓扑分析

图5 正半周期,T2开通,电感储能
图6 正半周期,T2关断,电感释能
在正半周期(VAC>0)的时候,T2为主开关管。
当T2开通时,电感L储能,电流回路如图5所示;
当T2关断时,T1的反并联二极管D1开通,电感L释放能量,电流回路如图6所示;

图7 负半周期,T1开通,电感储能
图8 负半周期,T1关断,电感释能
在负半周期(VAC<0)的时候,T1为主开关管。
当T1开通时,电感L储能,电流回路如图7所示;
当T1关断时,T2的反并联二极管D2开通,电感L释放能量,电流回路如图8所示;
03 图腾柱无桥PFC功率器件选型
可见,在图腾柱无桥PFC中,现有硅基IGBT配合硅基FRD或超结MOSFET作为主开关管的传统IGBT解决方案已很难再进一步提升电源效率。针对上述情况,解决方案有以下两种。
方案一:将IGBT单管上反并联的快速恢复二极管换成基本半导体的“零反向恢复”的碳化硅肖特基二极管(碳化硅 SBD),这种组合起来封装的器件,称之为混合碳化硅分立器件(Hybrid SiC Discrete Devices)。基本半导体的碳化硅肖特基二极管采用的主要是碳化硅 JBS工艺技术,与硅 FRD对比的主要优点有:

图9 二极管反向恢复电流Irr和开关管T2开关波形
方案二:主开关管选择的碳化硅MOSFET器件,碳化硅MOSFET相对于IGBT或超结MOSFET有更低的开关损耗。碳化硅MOSFET的体二极管虽然也存在反向恢复行为,但是其反向恢复电流相对IGBT或超结MOSFET要小很多。因此,当开关频率提高时,碳化硅MOSFET的优势将更为明显,系统的效率也会更高。当客户选择碳化硅MOSFET为主开关管后,通常也会愿意多花额外的成本将工频整流二极管D3和D4换成普通的低导通电阻(Rdson)的硅-MOSFET [B1] ,降低整流器件的导通损耗。

图10 图腾柱无桥PFC 碳化硅 MOSFET (T1和T2) + 硅 MOSFET (T3和T4) 方案
综合上述各个方案的特点和分析,为满足不同的市场需求,基本半导体为图腾柱无桥PFC这一硬开关拓扑设计了能同时兼顾效率与性价比的混合碳化硅分立器件,同时也提供了更高效率的全碳化硅 MOSFET方案。
04 对比测试
这里采用双脉冲测试方法对图腾柱无桥PFC中混合碳化硅分立器件和纯硅 IGBT进行对比测试,以评估续流二极管(硅快恢复二极管或碳化硅肖特基二极管)对主开关管损耗的影响,并同时检测续流二极管的恢复行为。

图11 测试原理图
测试对象:
BG50N065HF(BASiC, IGBT+FRD),BGH50N065HF(BASiC, IGBT+碳化硅肖特基二极管)
测试条件:
Vbus=400V, Rgon=Rgoff=10Ω, VGE=15V/0V, L=200uH


图13 传统IGBT及混合碳化硅分立器件反并联二极管的特性参数对比
如图13所示,混合碳化硅分立器件的反向恢复时间Trr,反向恢复电流Irr和反向恢复损耗Err明显降低。
05 总 结

基本半导体主要推出了650V 50A和650V 75A的混合碳化硅分立器件,并同时推出了TO-247-3和TO-247-4封装(如上图),使得客户在不需要更改电源电路和PCB的基础上,直接进行Pin To Pin替换验证测试及使用,在同样的设计系统中,客户可以在最短时间内提升整机效率,降低散热器设计要求和成本。客户也可以提高主开关管的开关频率,选择体积更小的电感进行设计,以此减少电流谐波对电网的污染。